Ремонт светодиодной лампы серии «LLB» LR-EW5N-5
На внешний вид лампа сделана качественно. Корпус алюминиевый, дизайн выполнен красиво.
Лампа собрана надежно. Поэтому, чтоб ее разобрать, нужно снять защитное стекло. Для этого конец отвертки всовываем между радиатором. Стекло здесь фиксируется без клея, буртиком. Нужно опереться отверткой на торец радиатора и приподнять стекло вверх, используя отвертку как рычаг.
Тестер не показал поломку светодиодов. Значит, все дело в драйвере. Чтоб добраться до него, нужно открутить 4 винта.
Но меня настигла неудача. За платой была расположена плоскость радиатора. Она смазана пастой, которая проводит тепло. Пришлось собрать все, что я раскрутил. Я решил разобрать лампу со стороны цоколя.
Для того, чтоб снять цоколь, пришлось высверливать места кернения. Но он не снимался. Как оказалось, он был скреплен с пластмассой резьбовым соединением.
Радиатор нужно было отделить от пластикового переходника. Для этого, я произвел запил ножовкой по металлу в том месте, где пластмасса крепилась к радиатору. Далее поворотом отвертки детали отделились одна от другой.
Была произведена отпайка выводов от платы светодиодов, что позволило работать с драйвером. Его схема была более сложной по сравнению с другими драйверами. При осмотре был найден вздутый конденсатор 400 V 4,7 µF. Он был заменен.
Диод Шоттки «D4» типа SS110 оказался поврежденным. Он находится внизу слева на фото. Он был заменен аналогом «10 BQ100», имеющим 1 А и 100В. Лампочка засветилась.
Как найти неисправный светодиод мультимером?
А
что делать, если все светодиоды визуально целые и на них нет никаких черных
точек? Здесь понадобится китайский мультиметр.
Лучше всего показывают те, которые работают на кроне 9V, а не на пальчиковых батарейках.
Ставите переключатель в режим прозвонки диодов и прикасаетесь щупами к ножкам светодиода на площадке. Если он исправен, то должен засветиться.
Поврежденный
светодиод светиться не будет.
При этом соблюдайте полярность. Светодиоды горят только при правильном положении щупов (“+” и “-”).
Неисправный
светиться не будет, как бы вы не меняли полярность. После выявления
неисправности дальнейший ремонт проводите как было показано выше.
Ремонт
Какой бы ни была причина поломки, отремонтировать светодиодную лампу можно. Но чтобы выяснить причину поломки необходимо добраться до ее начинки. Разборка светодиодной лампы начинается со снятия рассеивателя. Он либо посажен на корпус с помощью герметика, либо держится на защелке. Если рассеиватель вращается отдельно от корпуса, то его легко снять путём надавливания. Если он приклеен, то вскрывается корпус с помощью тонкой отвертки.

Замена светодиодов
Разобравшись с колбой, переходим к внимательному рассмотрению печатной платы. В идеале (в фирменных образцах) на ней расположены только SMD светодиоды. Хуже, если рядом с ними есть другие планарные элементы, а с обратной стороны запаяны конденсаторы. В таком исполнении плата быстро перегревается и одна из деталей выходит из строя.


проверить мультиметром
Существует и другой способ ремонта. Если на плате много мелких светодиодов (около 60 штук), то отсутствие одного сильно не повлияет на работу оставшихся. Поэтому вместо перегоревшего элемента можно запаять перемычку в виде тонкого проводка.
Ремонт драйвера
Если при тестировании все светодиоды оказались рабочими, то придётся искать неисправность в драйвере. В дорогих и некоторых бюджетных вариантах драйвер выполнен в виде отдельной платы и находится в цокольной части. Как правило, ремонт led драйвера начинается со снятия платы со светодиодами либо с разборки металлического цоколя лампы.

Конденсаторы в неудовлетворительном состоянии лучше заменить на такие же новые. Если в схеме присутствует специализированная микросхема (интегральный драйвер), то нужно скачать её описание (даташит). Затем замерить напряжение на её выходе и сделать вывод о работоспособности.
В дешёвых лампочках, собранных по так называемому китайскому стандарту, все детали источника напряжения размещены на одной плате со светодиодами. Принципиальная схема такого псевдодрайвера очень проста, а его ремонт сводится к замене одного из конденсаторов.
Неисправный электролитический конденсатор визуально сверху вздут. Починить эту неисправность можно только заменой компонента. Рекомендуется использовать конденсатор ёмкостью не меньше чем 4,7 мкФ и напряжением 400В с максимальной рабочей температурой 105°C. Компонент с большей ёмкостью не поместится. Неисправность неполярного конденсатора может быть наглядно не видна. Поэтому определять её лучше экспериментально. Для этого мультиметром измеряют переменное напряжение на входе диодного моста и постоянное напряжение – на выходе.
Гораздо реже в недорогой светодиодной лампочки выходит из строя диодный мост и токоограничивающий резистор. Их пригодность легко проверяется без выпаивания. Номинал резистора должен соответствовать маркировке на его корпусе, а выводы диодного моста не должны звониться накоротко.
Особенности ремонта led ламп
Основой ремонта считается грамотное диагностирование. Чаще всего достаточно осуществить припой контактов, в определенных случаях провоцируется необходимость замены ключевых узлов.
Ремонт светодиодного светильника
Если вы не знаете, как отремонтировать светодиодную лампу, вы можете изучить нашу статью, а также просмотреть рекомендованное видео, которое вы найдете ниже. Выполнение качественного ремонта, который гарантирует в дальнейшем исправность изделия и его длительную эксплуатацию, начинается с детальной подготовки;
- Демонтаж светильника;
- Изучение технической документации;
- Подготовка приборов (список перечислен выше);
- Приобретение мультиметра для проверки контактов;
- Проведение ремонтных работ в зависимости от проблемы;
- Замена драйвера или же блока питания при необходимости.
Ремонт светодиодных люстр
- Приспособление снимается с потолка или же стены;
- Корпус прибора снимается;
- Изучается схема электронная (чаще всего дефекты являются видимыми);
- Удаляется плафон и другие украшения декоративного формата;
- Выкручиваются лампочки, производится диагностика цоколя на предмет прогоревших мест (зачистка может быть осуществлена простым ножом);
- Заново выполняется процесс сбора, подтяжки винтов, проверка всех контактов.
Ремонт светодиодной ленты
Если не горит вся лента, то нужно проверить подключение блока питания к розетке, проверить напряжение, осуществить процесс анализа целостности провода. Осуществляется проверка блока питания. В лентах именно блок питания страдает чаще всего, и чаще всего его нужно будет просто заменить. Если лента горит частично, то проблема с дорожками. Часть сегментов могла выйти из строя. Их можно заменить, для этого потребуется паяльник и припой.
При мерцании ленты – полной или же частичной, нужно осуществить проверку блока питания, а также осуществить процесс изучения ленты на предмет чрезмерного изгиба. При проблеме с блоком осуществляется его ремонт или же замена, если поврежден определенный сегмент, проводится процесс замены диодов. Если же часть сегментов потухла, но диоды целые, это может отражать проблему с резистором. Нужно осуществить проверку цепи последовательно, чтобы найти участок повреждения и осуществить замену.
Ремонт светодиодных фонарей и прожекторов своими руками
Проведение ремонта является стандартной процедурой. Осуществляется визуальный осмотр, снимается корпус, проверяются все элементы поэтапно. В случае необходимости контакты очищаются и припаиваются, в случае серьезной поломки осуществляется замена резисторов, диодов, драйвера, блока питания и пр.
Техника безопасности при ремонте светодиодных ламп на 220 в
Учитывая, что необходимо произвести ремонт прибора, который работает от сети, то обязательно нужно соблюдать и технику безопасности. Рассматриваемые нами лампы обладают бестрансформаторным питанием, все имеющиеся в устройстве элементы во время работы находятся под напряжением, которое может нести угрозу жизни
Исходя их этого важно соблюдать следующие предосторожности:
- В процессе перепайки и при необходимости провести любые измерения обязательно нужно следить, чтобы лампа была отключена;
- При наличии разрядных резисторов, которыми зашунтированы конденсаторы все равно необходимо по завершению ремонта вручную проводить разрядку конденсаторов. Сделать это можно, если закоротить выводы конденсатора, используя любой металлический инструмент, который оснащен диэлектрической ручкой;
- По завершению ремонта если производится первое включение лампы, берегите глаза. В ряде случаев некоторые элементы в лампе могут взорваться, поэтому лучше предусмотрительно отстраняться или отворачиваться;
- Внимательно следите за паяльником и не забывайте его выключать при перерывах. Не нужно класть включенный паяльник на предметы, которые могут вызвать воспламенение.
Зная все особенности светодиодных лампочек можно сделать выводы о принципах их работы и соответственно, при необходимости осуществить правильный ремонт
Важно все ремонтные процедуры совершать с соблюдением правил безопасности
Рекомендуем также просмотреть видео по данной теме:
Устройство
Условно все светодиодные лампочки можно разделить на 2 категории: сделанные с учетом всех особенностей светодиодов и собранные без учета этих особенностей. К первой категории относятся дорогостоящие фирменные образцы, имеющие в своей конструкции качественный токовый драйвер и хорошую систему отвода тепла от чипов светодиодов.

данной статье
Стоит отметить, что в последнее время некоторые производители из первой категории выпускают LED-лампы высокой мощности с малоэффективной системой охлаждения. Это приводит к быстрой деградации светодиодов и, как следствие, потере яркости светильника.
Принцип работы драйвера в лампе на светодиодах
Драйвер считается ключевой деталью светодиодной лампы, он по сути выступает общим блоком питания, осуществляет процесс нейтрализации перепадов напряжения, а уже постоянный ток именно данный элемент перенаправляет непосредственно на диоды, которые уже и формируют излучение света.
Драйверы бывают конденсаторными или же электронными. Каждый вариант имеет свои определенные достоинства и недостатки. Электронные драйверы применяются на современных и высококачественных дампах брендовой продукции люксового сегмента, такие элементы ломаются редко. А вот конденсаторные, которые используются в бюджетных лампах, нередко требуют замены или же припоя соединений.
Схемы драйверов для светодиодов от сети 220в
Специализированные схемы драйверов четко определяют структуру соединения и работы. Базовый вариант предполагает, что переменное напряжение, которое попадает из сети, обязательно должно быть предварительно выпрямлено, для чего применяется светодиодный мост (есть во всех схемах). На схеме значением C1 и C2 обозначаются конденсаторы сглаживающего характера. При этом первый вариант представляет собой электролит, емкость которого составляет 22 мкФ, а напряжение 400В, второй конденсатор изготавливается из керамики и имеет такие параметры: 0,1мкФ, 25В. Микросхема провоцирует генерацию импульсов, которые осуществляют процесс закрытия и открытия транзистора силового формата Q1. В технической документации к светодиодной лампе непременно должна присутствовать такая схема (нарисована, с описанием всех ключевых узлов).
Устройство и принцип работы светодиодной лампы на 220 вольт
Светодиодные устройства значительно экономят электроэнергию, и при этом дают полноценное освещение. 10-ваттная лампочка с диодами дает такой же мощный поток света, как стоваттная лампа накаливания. Выходит, что этот вид осветительных приборов сокращает ваши расходы в десять раз. При этом такие приборы отличаются долговечностью, если конечно они не произведены в Поднебесной.
Чтобы разобраться с возможным ремонтом, нужно представлять себе принцип работы устройства. Здесь все немного сложнее, чем в традиционных лампах Эдисона. Каждый источник света, диод, состоит из двух полупроводников разного материала. Один содержит преимущественно электроны, второй – ионы.

При пропускании электрического тока между полупроводниками возникает выделение энергии со световым излучением
Такие полупроводники называют светодиодами. На заре этой технологии устройства могли испускать только зеленый, желтый и красный свет. По этой причине их использовали в индикаторах. Современные технологии позволяют охватить весь спектр и использовать теплые и холодные оттенки, в которых преобладают синий или желто-красный цвет.
Теперь непосредственно об устройстве лампы. Внешне она мало чем отличается от традиционной лампочки. Она имеет такой же цоколь с резьбой и подходит для всех видов светильников. Но внутри изделие имеет сложную структуру.

Схема светодиодной лампы на 220 В
Под прозрачной оболочкой колпака скрываются контактный цоколь, корпус, драйвер и плата с полупроводниками. Задача драйвера – понижение стандартного для наших сетей тока 220 вольт до необходимой для работы полупроводников величины. Эта плата питания и управления может быть устроена по-разному в зависимости от решения производителя. Для снижения собственных затрат некоторые не очень порядочные производители не устанавливают на платы необходимые для наших сетей стабилизаторы. В итоге лампочка светит очень ярко, но недолго. Один диод светит недостаточно ярко, поэтом в лампочках их группируют по несколько штук на плате, объединяя в одну цепь. Если один их полупроводников вышел из строя, вся лампа не будет гореть.

Прозрачный колпак лампы на качественных изделиях покрыт изнутри люминофором – веществом, усиливающим свечение. Такие лампочки снаружи выглядят матовыми, непрозрачными. Подобные изделия не раздражают глаза, их свечение схоже с естественным солнечным освещением.
Самостоятельный ремонт светодиодной лампы
Перегоревшие светодиоды часто приводят к выходу из строя осветительного прибора. Порой проблему удается определить после демонтажа корпуса. Но бывают исключения, когда внешне компоненты выглядят исправными. Ремонт светодиодной лампы своими руками начинается только после определения проблемы.
Замена светодиодов лампочки
Для замены светодиодов светильника не обязательно применять паяльное оборудование. Иногда достаточно прогреть плату строительным феном, в результате чего место пайки станет мягким и податливым, а диод будет легко доставаться пинцетом.
На подогретую область помещается рабочий источник света, а после остывания платы его прочно фиксируют. Разбирая устройство, нужно следить за расположением элемента, чтобы не допустить ошибок при повторной сборке.
Ремонт драйвера светодиодной лампы
Отремонтировать светодиодную лампу своими руками несложно. Нередко для этого требуется устранение неполадок в драйвере, которые возникают из-за перегорания резистора или конденсатора.
Если в домашней мастерской имеются мультиметры и другие измерительные приспособления, диагностирование будет выполнено без любых сложностей. В случае определения поломки деталь заменяется исправной моделью с аналогичными рабочими характеристиками.
Как проверить и заменить блок питания?
Если лампа устанавливается в техническое помещение с высоким уровнем влажности, ее оснащают стабилизирующими блоками питания, понижающими напряжение до безопасных значений. По мере эксплуатации или под воздействием негативных факторов стабилизатор выходит из строя.
Чтобы заменить его, необходимо снять напряжение с помощью отключения цепи в распределительном щитке.
Устранение моргания светодиодных ламп
Нередко ремонт светодиодной лампы предназначается для устранения проблемы мерцания. Неприятное явление возникает в результате прерывания электрического контакта. Определить причину с помощью увеличительного стекла проблематично, поэтому остается повторно спаять посадочные гнезда, что требует некоторых усилий и времени. Но, учитывая простоту схемы, провести нужные манипуляции можно своими усилиями.
Ремонт драйвера
Драйвер светодиода
Если сломался преобразователь, его нужно сначала извлечь из корпуса и закрепить в держателе. Проводки отсоединяются паяльником, предварительно их нужно промаркировать или сфотографировать, чтобы не перепутать при сборке. После этого проверяется работоспособность всех деталей, которые размещены на плате.
Если сгорела микросхема, она отделяется полностью. Изделие захватывается пинцетом, проводится нагрев места спайки с обратной стороны платы. Когда олово расплавится, клеммы микросхемы легко выходят из отверстий. Замена производится в обратной последовательности. Если припоя недостаточно, он добавляется паяльником. Делать это нужно аккуратно, чтобы не зацепить соседние перемычки. Чтобы этого не допустить, поверхность платы около спайки покрывается термостойким лаком.
Когда драйвер состоит из цепи резисторов, конденсаторов и выпрямителей, сначала нужно провести внешний осмотр платы. О неисправности свидетельствуют почернения на деталях или их вздутие. Если таких признаков нет, придется выпаивать и проверять каждый элемент. Делать это нужно поочередно, чтобы по ошибке не нарушить цепь. Лучше сразу после диагностики вставлять исправный элемент обратно и припаивать.
Другим решением проблемы является закупка нескольких драйверов, характеристики которых соответствуют диодному мосту. Чтобы их заменить, нужно перепаять 4 соединительных проводка, после чего поставить колпак на место.
Ремонт светодиодных ламп: устройство и электрические схемы различных приборов
Разобравшись, как починить светодиодную лампу на 220V, имеет смысл разобраться и с более сложными устройствами, такими, как прожекторы или люстры. Хотя особой разницы в работе нет. Специалисты утверждают, что ремонт светодиодных прожекторов даже проще, ведь драйверы и их детали крупнее. Мы присоединяемся к этому мнению. Только кажется, что такие устройства высокотехнологичнее и сложнее. На самом деле, имея под рукой схемы (они всегда содержатся в технической документации осветительного прибора) произвести, к примеру, ремонт светодиодной люстры достаточно просто. Та же прозвонка светодиодов, деталей драйвера. После – подбор подходящих взамен сгоревших.
Важная информация! Если сгорел светодиод и под рукой нет подходящего для замены, можно ненамного продлить жизнь осветительному прибору. Контакты сгоревшего элемента перемыкаются между собой, и лампочка снова загорается. Но стоит быть готовым к тому, что через непродолжительное время она снова погаснет. Перегорит следующий за перемкнутым светодиод. Если продолжать установку перемычек, сроки между ремонтами будут сокращаться в геометрической прогрессии.
Несколько светодиодных ламп преобразят интерьер до неузнаваемости, но в лучшую сторону
Погасли все лампы в ванной комнате: причины и способы устранения
Если одновременно погасло все светодиодное освещение в ванной комнате, стоит начать с малого. Снимаем крышку выключателя и проверяем подачу напряжения. Если все в порядке, значит проблема в блоке питания.
Ванная комната – это помещение с повышенной влажностью, в котором недопустимо использование осветительных приборов на 220 вольт. По этой причине устанавливают блок питания на 12 вольт. Причиной того, что перестало гореть все освещение разом, может стать выход из строя этого устройства или пробой проводки, что вряд ли реально. Такой блок придется купить. Демонтировав старый блок смотрим технические параметры, приобретаем стабилизатор с аналогичными характеристиками и устанавливаем на место.
При работе с электропроводкой нужно быть крайне внимательным. Поражение опасно
Устранение причин моргания светодиодных ламп
Это распространенная проблема. Бывает, что люди отказываются от замены в квартире обычного освещения на светодиодное по причине того, что при выключенном свете светодиоды моргают, на манер стробоскопа. Причина этому одна – подсветка выключателя.
Если индикатор горит, он пропускает через себя определенное количество электроэнергии, которое не оказывает никакого влияния на обычные лампы. Но в драйвере светодиодных осветительных приборов присутствует конденсатор, который имеет свойство накапливать электричество, а затем выдавать его. Он то и собирает «по крупицам» эту энергию, а по достижении определенного объема выдает ее в виде импульса на светодиоды.
Этот индикатор становится причиной моргания светодиодов
Решить проблему можно очень просто – отключаем подсветку на выключателе. Однако мигание из-за индикации на клавише – это следствие. А в чем причина? Здесь сложностей так же нет. Причиной служит неправильное подключение патронов люстры. Известно, что при установке ламп накаливания, на резьбу цоколя идет ноль, а на центр – фаза. Моргать светодиоды начинают, если этот порядок нарушен и разводка сделана неправильно.
Филаментные лампы – новинка на рынке. Они ремонту не подлежат
Основные неисправности светодиодных ламп
Средняя продолжительность гарантированной работы светодиодной лампы составляет 15 000-20 000 часов. Причинами того, что лампочка не зажигается, чаще всего бывают следующие:
- Производственный брак. Особенно актуален этот вариант для ламп производителей низкой ценовой категории.
- Ошибки в эксплуатации. В данном случае причиной может быть постоянный перегрев лампы в закрытом светильнике, влажность, пыль и грязь, выключатель с подсветкой.
- Проблемы с питанием. Скачки напряжения, завышенные показатели напряжения или же его регулярные выбросы не лучшим образом воздействуют на работоспособность приборов.

Светодиоды вышли из строя. Диоды в конструкции подключены последовательно, если возникает поломка в одном из них, образуется обрыв цепи и лампа перестает работать. Можно починить такую неисправность самостоятельно. Найти поврежденный диод с помощью мультиметра. Этим устройством проверяют все диоды по очереди, подавая «-» на катод, «+» на анод. Сгоревшие диоды можно определить визуально, на них появляется темное пятно.

Диодный мост вышел из строя. В данном случае виноват заводской брак. С помощью мультиметра также можно проверить диодный мост и заменить его самостоятельно. При замене моста требуется также проверить работоспособность всех диодов.

Выводные концы плохо запаяны. Такая проблема характерна для дешевых лампочек. Если вы планируете исправить ее самостоятельно, потребуется пропаять все компоненты и детали паяльником.
Разновидности схем и их особенности
Существует 3 схемы драйверов светодиодных ламп, это варианты создания оптимального напряжения в устройствах на светодиодах. Они отличаются сборкой драйвера. Он может быть собран на основе схемы с понижающим трансформатором, такой вариант применяется в мощных и ярких лампах.

Более дешевый вид – сборка по схеме с конденсатором.

А третий вариант используется для схем с большим количеством диодов или при сборке диммируемых ламп. Их называют инверторные схемы.

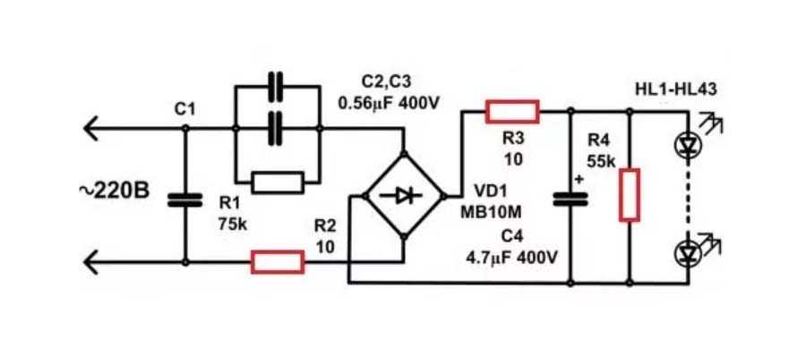
Вариант N1 – с конденсаторами для снижения напряжения
Это самый распространенный тип сборки, который используется в бытовых лампочках. Основными элементами для снижения напряжения выступают конденсаторы С2, С3 и резистор R1. Во время включения лампы резисторы R2 и R3 предохраняют прибор от короткого замыкания и ограничивают ток. Встроенный защитный диод VD1 нужен для преобразования напряжения.

Резистор R4 разряжает прибор, когда ток перестает поступать. В некоторых конструкциях для светодиодных ламп используются не все 4 резистора, а других их комбинации. Такую схему можно сделать и своими руками, используя новые и старые детали.

Преимущества схемы светодиодных ламп с конденсатором:
- невысокая стоимость;
- разнообразные значения напряжения на выходе;
- простая сборка.
Недостатки:
- Поскольку гальваническая развязка отсутствует, есть вероятность удара током. Поэтому во время ремонта ламп запрещено прикасаться к токоведущим частям, находящимся под фазой.
- Напряжение на нагрузке диодов зависит от напряжения входящего тока. Светодиоды могут перегореть, потому что нет стабильной величины подачи электричества.
- Из-за достаточно малой емкости конденсаторов не получится достичь большого светового потока.
Вариант N2 – с импульсным драйвером
Импульсный драйвер гарантированно защищает диоды от помех в подаче тока и перепадов напряжения. Это его главное отличие от драйвера с конденсатором. В данной схеме используются конденсаторы, резисторы и мостовой выпрямитель.

Практически у каждого производителя светотехнического оборудования существует своя схема устройства. Рассмотрим для примера микросхему СРС9909 компании Clare. Она используется для энергосберегающих и экономичных приборов, эффективность применения составляет 98%.

Для сборки своими руками такая схема может использоваться при мощности светильников не более 25В. Широко применяется в электросетях резервного и аварийного освещения.

Преимущества:
- Питание схемы может происходить напрямую от 550В.
- Драйвер комплектуется встроенным стабилизатором.
- Возможность работы в сети с переменным напряжением. Входной диапазон в зависимости от типа модели может быть от 5 до 65В.
- Широкий температурный диапазон применения: от -55°С до +85°С.
- Компактность.
- Высокий КПД в сочетании с низким уровнем пульсации.
Недостатки:
- Более сложная схема, чем с применением линейной конструкции.
- Более высокая стоимость по сравнению с вариантом с конденсатором.
- Нагревается при работе, значительные длительные перегревы могут приводить к уменьшению срока эксплуатации.
- Для предотвращения электромагнитных помех, источником которых является импульсный драйвер, необходимо устанавливать дополнительный фильтр. В дешевых вариантах он не используется.
- Образует нелинейную нагрузку на сеть.
Вариант N3 – с диммируемым драйвером
Схема подключения светодиодной лампы с диммируемым драйвером позволяет регулировать яркость свечения. С помощью ламп с использованием такой схемы можно варьировать степень освещенности помещения или рабочей зоны. Такие схемы широко используются в интерьерном освещении.


Различают 2 основных варианта диммируемых драйверов. Первый работает с ШИМ-управлением. Он монтируется между блоком питания и лампой. В этом случае электричество подается в виде разных по длительности импульсов. Часто такие схемы используются в бегущих строках.

Второй вариант используется для приборов со стабилизированным током, в этом случае драйвер воздействует напрямую на источник тока. Изменение цвета свечения происходит при регулировании подаваемого тока. При увеличении подачи электричества белые диоды начинают светиться синеватым, а при уменьшении излучают желтоватый свет.

По виду управления устройства с диммером могут быть:
- кнопочные;
- механические;
- дистанционные.

Преимущества:
- Простота реализации.
- Возможность регулирования освещения.
- Приемлемая стоимость.
Недостатки:
- Некоторые диммеры с ШИМ-управлением имеют стробоскопические эффекты, которые могут быть очень опасными в промышленности.
- Высокий уровень излучаемых помех.
- Повышенная утомляемость зрения.
Заключение
Стоимость светодиодных ламп медленно, но верно снижается. Однако цена все же остается высокой. Не каждому по карману менять некачественные, но дешевые, лампы или покупать дорогостоящие. В этом случае ремонт таких осветительных приборов — неплохой выход
Если соблюдать правила и меры предосторожности, то экономия составит приличную сумму
Лампа «кукуруза» дает больше света, но и потребление энергии у нее выше
Надеемся, что информация, изложенная в сегодняшней статье, будет полезна читателям. Вопросы, возникшие по ходу прочтения, можно задать в обсуждениях. Мы ответим на них как можно полно. Если у кого-либо был опыт подобных работ, будем благодарны, если Вы им поделитесь с другими читателями.
А напоследок, уже по традиции, короткое познавательное видео по сегодняшней теме:
Среди потребителей все большей популярностью пользуются различные виды светодиодных устройств. Их применение позволяет сделать освещение более качественным и разнообразным. Светильники этого типа постоянно усовершенствуются, благодаря новым технологиям и материалам, применяемым в производстве. Они по всем показателям превосходят другие виды осветительных приборов. Однако иногда возникают ситуации, когда светодиодная лампа моргает. Это может случиться сразу после покупки или в процессе эксплуатации, во включенном или выключенном состоянии.





























